
De dunne rotatie-encoder van het type 12 is een specifiek type of serie dunne rotatie-encoders die wordt gebruikt om de rotatiehoek, positie, snelheid of richting te detecteren.
Merk:
GangyuanItem nr.:
GE1202-D1-F8.8/2-24PBestel (MOQ):
100Betaling:
100% T/T Before ProductionProductafhank:
ChinaKleur:
Black and WhiteScheepvaartpoort:
WenZhou/ShenzhenDoorlooptijd:
7-14 Working Days For PaymentBreedte
14.00mm x 13.20mmMontage type
Through Holeverlichting
Non-llluminatedIP waarde
No IP RatingEC12 Doorlopende mechanische paneelmontage-rotatie-encoder
Parameters
Type: Verticale draai-encoder zonder drukknopschakelaar
Bedrijfstemperatuurbereik: -40±2 °C tot +70 °C
Opslagtemperatuurbereik: -40 °C tot +85 °C
Draairichting van de as: 24P
Resolutie: 24 pulsen/360°
Aantal en positie van de pal: 24 pallen
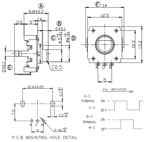
Tekening
Wat is een incrementele encoder?
Een incrementele encoder is een sensor die de relatieve positie, richting en snelheid van een roterende as detecteert door pulssignalen uit te sturen (zoals fase A en fase B).
Het kan geen directe absolute positie-informatie verschaffen, maar heeft voordelen zoals een eenvoudige structuur, lage kosten en een snelle responstijd. Het wordt veel gebruikt in de industriële automatisering.
motorbesturing, instrumentatie en andere toepassingen waarbij de absolute positievereisten niet hoog zijn.
• Pulse gebruikt meestal 12 en 24
• Lengte en vorm van de schachtkern kunnen worden geselecteerd
Als U bent geïnteresseerd in onze producten en wilt meer details weten, laat hier een bericht achter, we zullen u zo snel mogelijk antwoorden zoals wij
Categorieën
auteursrechten © 2025 Wenzhou Gangyuan Electronics Co., Ltd.. Alle rechten voorbehouden. Macht
IPv6-netwerk ondersteund