other
Producten
Huis schakelaar tactiele schakelaar 06 Serie TACT-schakelaar IP67 4-pins waterdichte drukknop-tactschakelaars

IP67 4-pins waterdichte drukknop-tactschakelaars

Onze 6x6mm IP67 waterdichte tactiele schakelaar is ontworpen voor betrouwbaarheid in veeleisende toepassingen en combineert een compact formaat met robuuste bescherming. Hij levert een heldere klikfeedback en is duurzaam, zelfs in natte of stoffige omstandigheden. Ideaal voor elektronica die een afgedichte tactiele bediening vereist, zoals buitenapparatuur, industriële apparatuur, medische hulpmiddelen en auto-onderdelen.




  • Merk:

    Gangyuan
  • Item nr.:

    KAN0645A-0501B1-C15
  • Bestel (MOQ):

    500
  • Betaling:

    100% before production
  • Productafhank:

    Wenzhou
  • Kleur:

    Black
  • Scheepvaartpoort:

    Ningbo or Shenzhen
  • Doorlooptijd:

    7-15 working days
  • Breedte

    6.00mm x 6.00mm
  • Montage type

    Surface Mount
  • verlichting

    Non-llluminated
  • IP waarde

    IP4X
  • Product detail

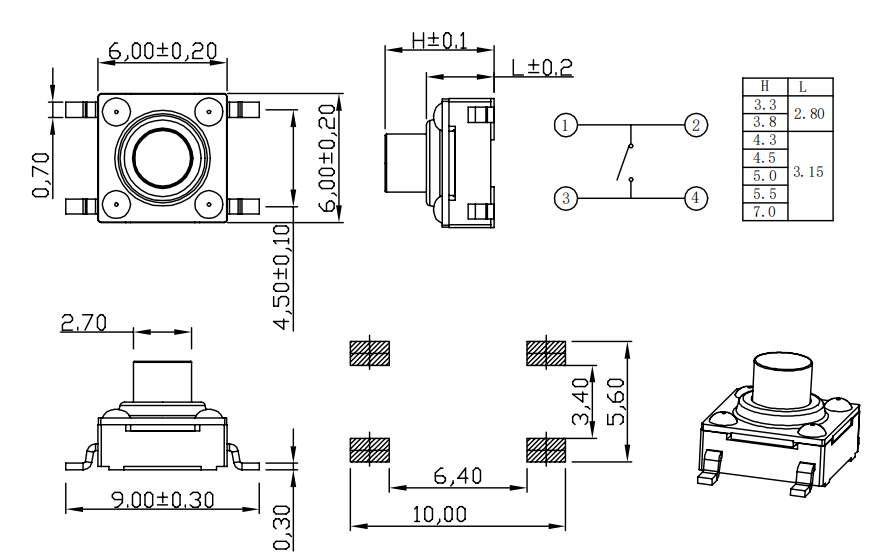
Waterdichte tactiele schakelaar van 6*6 mm met verschillende hoogtes voor elektronische apparaten


Typische specificaties


Type: Miniatuur Tact-schakelaar
Nominale waarden: DC 12V 50mA (max.) DC 1V 10μA (min.)

Bedieningskracht: 160±50gf

Volledige slag: 0,30 ± 0,1 mm

Levensduur: 100.000 cycli

Knopkleur: Rood/Zwart

Producthoogte: 5 mm

Andere hoogte kiezen: 3,3 mm/3,8 mm/4,3 mm/4,5 mm/5 mm/5,5 mm/7 mm


Tact-schakelaar schema

Top-actuated tact-schakelaar / microschakelaar tact / standaard tact-schakelaar



Sollicitatie

Consumentenelektronica : toetsenborden, afstandsbedieningen, spelcontrollers. Buitenelektronica (bijv. waterdichte afstandsbedieningen, maritieme apparaten)

Industriële controle : instrumentenpanelen, PLC-apparatuur. Industriële besturingen (bijv. machinepanelen, gereedschapsschakelaars)

Medische hulpmiddelen (bijvoorbeeld draagbare diagnostische hulpmiddelen)

Auto-elektronica: auto-audio, centrale bedieningsknoppen, autoaccessoires (bijv. dashboardknoppen, gps-units)

Consumentenelektronica (bijv. waterdichte luidsprekers, fitnesstrackers)


Belangrijkste kenmerken


Compact en nauwkeurig (6×6 mm) - Het ruimtebesparende ontwerp past naadloos in kleine ruimtes, terwijl het responsieve tactiele gevoel behouden blijft voor nauwkeurige gebruikersinvoer.

IP67 waterdicht en stofdicht - Getest op onderdompeling in water tot 1 meter diep gedurende 30 minuten (IP67-norm) en op blokkeerbaarheid van vaste deeltjes, zodat prestaties in regen, vochtige of vuile omgevingen worden gegarandeerd.

Verbeterde duurzaamheid - Geschikt voor meer dan 100.000 handelingen (levensduur), gemaakt van hoogwaardige materialen (bijv. roestvrijstalen veer, duurzame kunststof behuizing) om slijtage en corrosie te weerstaan.

Heldere tactiele feedback - Duidelijke klikgewaarwording voor directe bevestiging door de gebruiker, waardoor de bruikbaarheid wordt verbeterd in situaties met beperkte zichtbaarheid of bij bediening met handschoenen.




laat een bericht achter

Als U bent geïnteresseerd in onze producten en wilt meer details weten, laat hier een bericht achter, we zullen u zo snel mogelijk antwoorden zoals wij

gerelateerde producten
Waterproof tact switch
Kan0656 Waterdicht DC12V 50mA Met 2-pins tact-switch

KAN0656: DC 12v 50mA, SMD, Waterbestendigheid Type TACT SCHAKELAAR.

SMD Tact Switch
6 * 6 IP67 Momentary Waterdicht 50mA 120VDC Smd tact-switch

KAN0616: DIP-schakelaar, waterbestendigheid IP67, 6 * 6mm Mini tact Switch.

plastic cover tact switch
12v Momentale tactiele schakelaar met plastic hoes

KAN0611: DC 12v 50mA, 6 * 6 mm, 4 pins tact Switch.

tact switch
6x5.3mm Kleine 2-pins tactiele knopschakelaar lange terminale tactschakelaar

6x5.3mm KLEINE 2 PIN TACTILE KNOP SCHAKELAAR LANGE TERMINAL TACT SCHAKELAAR.

Waterproof tact switches
12v IP67 Waterdichte schakelaar drukknop tactschakelaar China

12v IP67 Waterdichte schakelaar Drukknop Tactschakelaar China, 4pin DIP TACT-schakelaar, 100.000 / 200.000 cycli voor optioneel,Gebruik voor keukenapparatuur, slim toilet Covers. Kleine apparaten, witte elektriciteit, zwarte elektriciteit vereisen een verscheidenheid aan operationele schakelaars voor waterdicht constructie.

tactlie switch
Hot Selling Auto met Silent Tact-switch 6 * 6

Soort switch is stil, vaak gebruikt in auto Industrie.

KAN0641
Leuke kwaliteit SMD tact-switch 6 * 6mm KAN0641

Item: KAN0641 Grootte: 6 * 6 * H (4.3-18 mm ) Waardering: 12VDC 50mA WERKING LEVEN: 60.000 / 80.000 / 100.000 cycliOperating Force: 100GF, 160GF, 260GF MOQ: 1000

KAN0673
ZIJ HORIZONTALE TACT SWITCH KAN0673

KAN0673: 6 × 6 mm, zij horizontaal type tact Switch.

auteursrechten © 2026 Wenzhou Gangyuan Electronics Co., Ltd.. Alle rechten voorbehouden. Macht

IPv6-netwerk ondersteund

top

laat een bericht achter

laat een bericht achter

    Als U bent geïnteresseerd in onze producten en wilt meer details weten, laat hier een bericht achter, we zullen u zo snel mogelijk antwoorden zoals wij

  • #
  • #
  • #
  • #
    Vernieuw het beeld