
Met de 4P2T-schuifschakelaar kunt u gelijktijdig vier onafhankelijke circuits met twee stabiele schakeltoestanden bedienen. Hierdoor is een efficiënte multi-path-circuitselectie in compacte toepassingen mogelijk.
Merk:
GangyuanItem nr.:
SK42D02-EG4Bestel (MOQ):
1000Betaling:
100% before productionProductafhank:
WenzhouKleur:
BlackScheepvaartpoort:
Ningbo or ShenzhenDoorlooptijd:
7-15 working daysBreedte
15.00mm x 4.70mmMontage type
Right Angleverlichting
Non-llluminatedIP waarde
No IP RatingOp PCB gemonteerde miniatuur schuifschakelaar
Typische specificaties
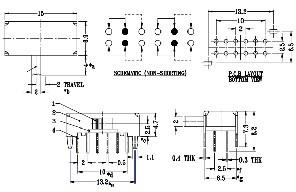
Nominale waarden: 0,3A 50V
Bedrijfskracht: 250 ± 100 gf
Volledige slag: 2±0,2 mm
Levensduur: 10.000 cycli
Schuifschakelaarknop: 4 mm
Bedrijfstemperatuurbereik: -20℃~70℃
Afmetingen schuifschakelaar
Micro 2P2T schuifschakelaar
Functie
Belangrijkste kenmerken van de 4P2T-schuifschakelaar (beknopt en gecombineerd)
Vorige:
4-pins op op op SP3T schuifschakelaarDe volgende:
DPDT metalen behuizing op schuifschakelaarAls U bent geïnteresseerd in onze producten en wilt meer details weten, laat hier een bericht achter, we zullen u zo snel mogelijk antwoorden zoals wij
Categorieën
auteursrechten © 2025 Wenzhou Gangyuan Electronics Co., Ltd.. Alle rechten voorbehouden. Macht
IPv6-netwerk ondersteund