other
Producten
Huis schakelaar Niet-vergrendelingsschakelaar DIP-aansluiting 8,5x8,5 mm vierkante vergrendelschakelaar

DIP-aansluiting 8,5x8,5 mm vierkante vergrendelschakelaar

Als professionele schakelaarfabrikant met eigen fabriek presenteren wij met trots de 8,5 × 8,5 mm serie drukknopschakelaars, verkrijgbaar in zowel zelfvergrendelende als niet-vergrendelende uitvoeringen om aan diverse toepassingsbehoeften te voldoen. Deze vierkante drukknop is voorzien van een duurzame 6-pins DIP-aansluiting, wat zorgt voor een stabiele verbinding en eenvoudige montage op de printplaat.

  • Merk:

    Gangyuan
  • Item nr.:

    PB23E09171-07
  • Bestel (MOQ):

    100pcs
  • Betaling:

    100% T/T Before Production
  • Productafhank:

    Zhejiang, China (Mainland)
  • Kleur:

    Black
  • Scheepvaartpoort:

    Ningbo/Shenzhen
  • Doorlooptijd:

    7-14 working days for payment
  • Breedte

    8.50mm x 8.50mm
  • Montage type

    Through Hole
  • verlichting

    Non-llluminated
  • IP waarde

    No IP Rating
  • Product detail

8,5x8,5 mm 6-pins DIP zelfvergrendelende/niet-vergrendelende drukknopschakelaar


Specificatie


Type: Tactiele drukschakelaar voor PCB-montage 8,5*8,5 mm

Specificaties: DC 30V 0,1A

Contactweerstand: ≤100mΩ

Isolatieweerstand: ≥100MΩ

Bedieningskracht: 230 ± 70 gf

Volledige slag: 2,5 ± 0,2 mm

Levensduur: 3000 cycli


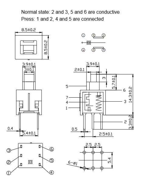
Schematisch


Tactiele vergrendelingsschakelaar voor industriële en consumentenelektronica


Belangrijkste kenmerk


Zelfvergrendelende modus: Druk één keer om het circuit in de AAN-stand te vergrendelen, druk nogmaals om het te ontgrendelen en terug te keren naar de UIT-stand.

Ideaal voor vermogensregeling en modusomschakelingstoepassingen.

Niet-vergrendelende modus: Indrukken om te activeren, loslaten om te resetten, perfect voor kortstondige triggering, signaalinvoer en resetfuncties.

6-pins DIP-ontwerp: Standaard DPDT-configuratie (Double Pole Double Throw), ondersteunt aansturing van twee circuits en is compatibel met universele printplaatlay-outs.

Tactiele feedback: Een heldere, consistente klik bij elke bediening, wat zorgt voor een betrouwbare werking en vertrouwen bij de gebruiker.



Installatie- en lashandleiding


Montagetype: Doorsteekmontage voor printplaten

Lasadvies: Gebruik de automatische dompellasmethode bij 255℃.

De maximale lastijd mag niet langer dan 5 seconden zijn om oververhitting en schade aan de interne componenten te voorkomen.

Installatie-instructies: Zorg ervoor dat de pinnen goed uitgelijnd zijn met de gaten op de printplaat en voorkom dat de pinnen tijdens de installatie worden gebogen.

Aanbevolen PCB-padindeling: Biedt een standaard padontwerp voor 8,5 x 8,5 mm 6-pins schakelaars, downloadbaar voor engineers.


Veelgestelde vragen


Vraag 1: Wat is het verschil tussen zelfvergrendelende en niet-vergrendelende schakelaars van 8,5 x 8,5 mm?
A: Zelfvergrendelende schakelaars blijven na het indrukken in de AAN-stand staan en vereisen een tweede druk om ze uit te schakelen.

Niet-vergrendelende (momentary) schakelaars activeren alleen wanneer ze ingedrukt worden en resetten wanneer ze losgelaten worden.


Vraag 2: Welke certificeringen hebben uw 8,5x8,5mm vergrendelingsschakelaars?
A: Al onze switches voldoen aan RoHS, ISO9001, ISO14001, 1045001, REACH en andere certificeringen.


Vraag 3: Wat is de minimale bestelhoeveelheid (MOQ) voor op maat gemaakte schakelaars van 8,5 x 8,5 mm?
A: De standaard minimale bestelhoeveelheid (MOQ) is 5.000 stuks, en we ondersteunen ook maatwerkbestellingen in kleinere series voor R&D-projecten.


Vraag 4: Kunt u 3D-modellen of CAD-bestanden leveren voor de schakelaar van 8,5 x 8,5 mm?
A: Ja, we leveren gratis 2D-maattekeningen en 3D STEP-bestanden voor al onze standaardproducten.


Vraag 5: Wat is de doorlooptijd voor massaproductie?
A: De standaard levertijd is 7-15 dagen na goedkeuring van het monster. Voor spoedbestellingen bieden we een versnelde productie aan.




laat een bericht achter

Als U bent geïnteresseerd in onze producten en wilt meer details weten, laat hier een bericht achter, we zullen u zo snel mogelijk antwoorden zoals wij

gerelateerde producten
non lock switch
6 PIN-vergrendeling Momentary Push-knop Schakelaar

kortstondig contact, 6 pins, vierkante witte drukknop, dip door gat montage, niet-vergrendelingstijl, 5.8x 5.8mm Drukknopschakelaars, enz.

non lock switch
5.8x5.8mm Latching Non Lock Momentary Push-knop Schakelaar

Non Lock-schakelaar op grote schaal gebruikt in consumentenelektronica, Smart Device, PCB enzovoort op.

auto lock switch
5.8x5.8mm Latching Auto Lock Momentary Push-knop Schakelaar

Auto Lock Switch, Knop Kleuren met zwart, grijs, rood, wit, roze enz. Lang leven 100.000 / 1.000.000 cycli Kon normaal gek zijn e.

self lock switch
8.3x8.3 6pin Drukknop Zelfslot schakelt elektrisch

8.3x8.3 6pin Drukknop Zelfslot schakelt elektrisch,Hoog Kwaliteit.

Self locking switch
PCB Tactiele drukknop Zelfvergrendeling 6-pins schakelaar dip

5.8 * 5.8mm Zelfvergrendelingsschakelaar met 6 pinnen vaak gebruikt in PCB bord.

Push Button Switch
7mm Latching Auto Lock en Non Lock Momentary Push-knop Schakelaar

7mm Latching Auto Lock en Non Lock Momentary Push-knop Schakelaar, tijdelijk contact, 6 pinnen, vierkante blauwe drukknop, dip door gat montage, Vergrendeling & niet Vergrendelingstijl, 7x7mm drukknop schakelaars, enz.

auto lock switch
5.8x5.8mm Latching Auto Lock Momentary Push-knop Schakelaar

Auto Lock Switch, Knop Kleuren met zwart, grijs, rood, wit, roze enz. Lang leven 100.000 / 1.000.000 cycli Kon normaal gek zijn e.

non lock switch
6 PIN-vergrendeling Momentary Push-knop Schakelaar

kortstondig contact, 6 pins, vierkante witte drukknop, dip door gat montage, niet-vergrendelingstijl, 5.8x 5.8mm Drukknopschakelaars, enz.

auteursrechten © 2026 Wenzhou Gangyuan Electronics Co., Ltd.. Alle rechten voorbehouden. Macht

IPv6-netwerk ondersteund

top

laat een bericht achter

laat een bericht achter

    Als U bent geïnteresseerd in onze producten en wilt meer details weten, laat hier een bericht achter, we zullen u zo snel mogelijk antwoorden zoals wij

  • #
  • #
  • #
  • #
    Vernieuw het beeld